0755-2826 3345

En

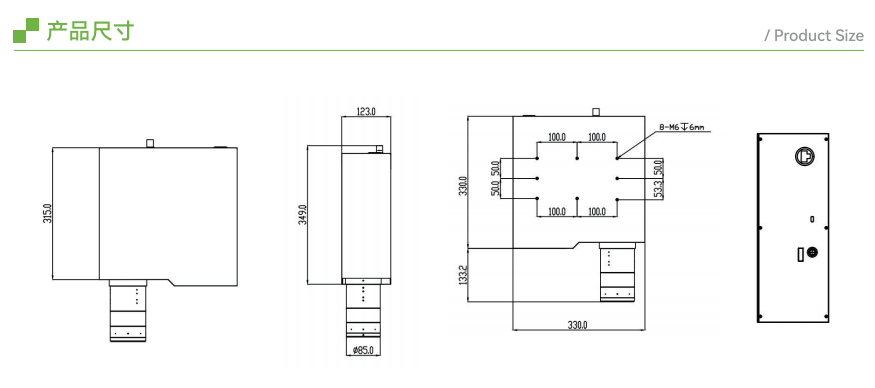
3D线光谱共焦位移传感器

采用同轴结构设计,有效消除角度误差与环境光干扰。以线性扫描方式,能更好适应复杂材质检测,一次扫描即可提供多维度数据,大幅提升检测效率。

提交需求

提交

下载资料

请输入需要填写的信息,并输入正确的验证码进行验证既可下载,请确保信息准确无误。

我们将尊重您的隐私权,并承诺会对您的个人信息和其他数据进行严格保密。

姓名

公司名(必填)

手机号(必填)

验证码

立即验证
1946韦德官网
Baidu
1946伟德官网